充电桩
应用概述
应用概述
插电式混合动力/电动汽车包含一个高压电池子系统,可采用内置的车载充电器(OBC)或外部的充电桩进行充电。充电要求在高温环境下具有高电压、高电流和高性能,因此开发高能效、高性能、具有丰富保护功能的充电桩对于实现快速充电、提升续航历程至关重要。
今年会金字推出了用于电动汽车直流充电桩的超级结MOSFET和具成本优势的IGBT方案。
充电桩
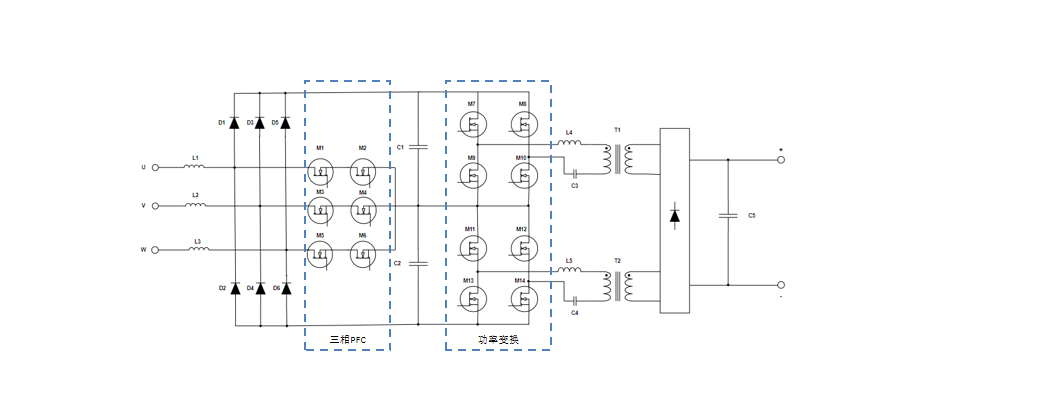
应用系统图
应用系统图
充电桩
应用拓扑图
应用拓扑图
充电桩
推荐产品
推荐产品
IGBT单管产品清单
| Part Number | VCE(V) | Ic(A)@100℃ | Vcesat(V) @25℃ typ |
Eon(mJ) | Eoff(mJ) | Package | Datasheet |
|---|---|---|---|---|---|---|---|
| MPBW50N65E | 650 | 50 | 1.6 | 1.22 | 1.2 | TO-247 | Download |
| MPBW15N120BF | 1200 | 15 | 1.8 | 1.17 | 0.95 | TO-247 | Download |
| MPBW25N120BF | 1200 | 25 | 1.9 | 1.6 | 1.9 | TO-247 | Download |
| MPBW40N120BF | 1200 | 40 | 1.85 | 1.6 | 3.0 | TO-247 | Download |
| MPBW40N120E | 1200 | 40 | 1.7 | 2.56 | 2.13 | TO-247 | Download |
| MPBQ75N120BF | 1200 | 75 | 1.9 | 4.6 | 4.4 | TO-247 plus | Download |
SJ MOSFET产品清单
| Part Number | VDSS(V) | ID(A)@25°C | V(GS)th (V) | RDS(on)(Ω) @VGS=10V 25°C max |
QG(nC) | CFD | Package | Datasheet |
|---|---|---|---|---|---|---|---|---|
| MPSW60M041 | 600 | 66 | 2.5-4.5 | 0.041 | 140 | - | TO-247 | Download |
| MPSW60M043CFD | 600 | 66 | 3-5 | 0.043 | 140 | Y | TO-247 | Download |
| MPSW60M086CFD | 600 | 41 | 3-5 | 0.086 | 72 | Y | TO-247 | Download |
| MPSW65M046CFD | 650 | 62 | 3-5 | 0.046 | 140 | Y | TO-247 | Download |
| MPSW65M092CFD | 650 | 41 | 3-5 | 0.092 | 72 | Y | TO-247 | Download |
硅基芯片及模组系列
第三代半导体芯片及模组系列